
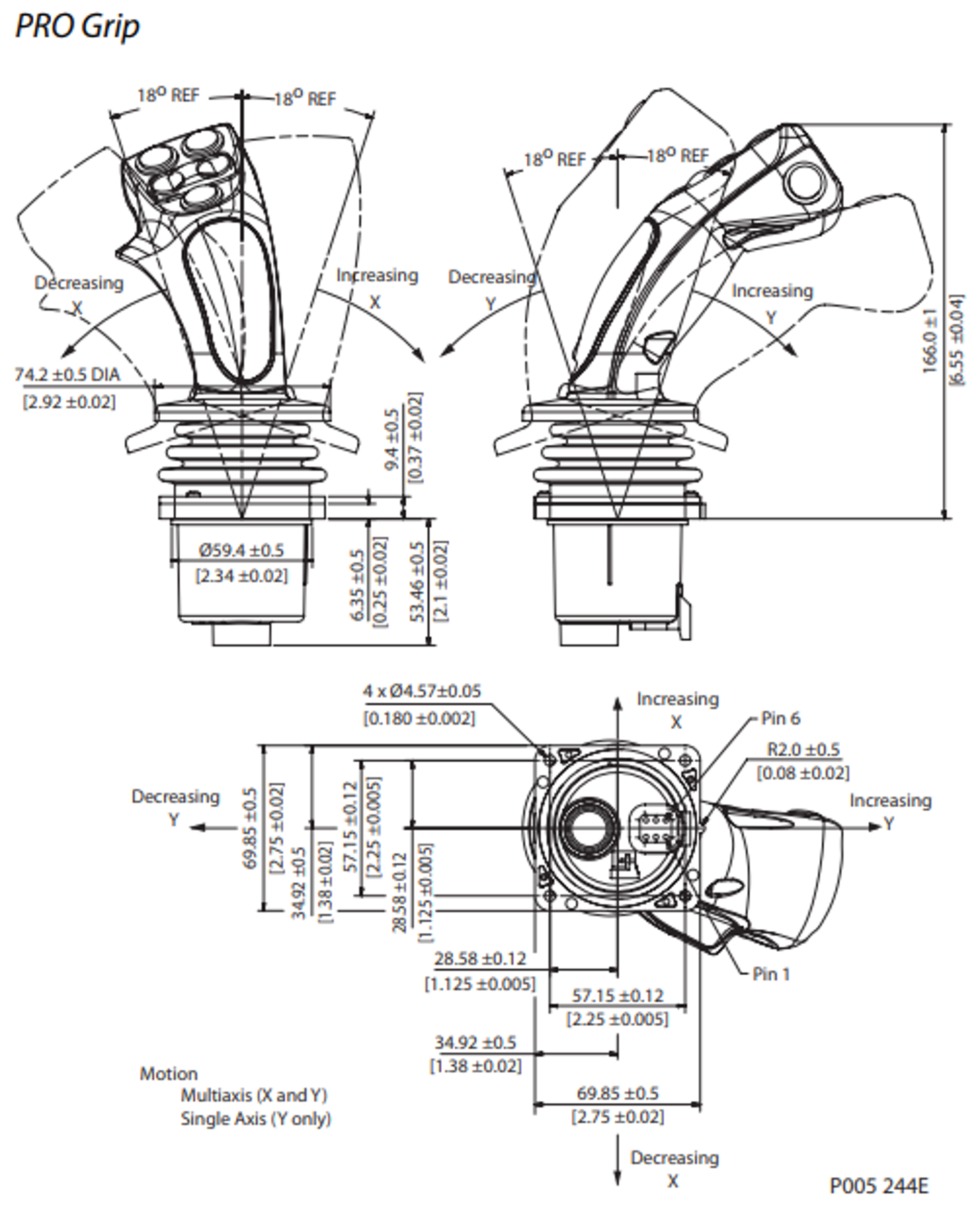
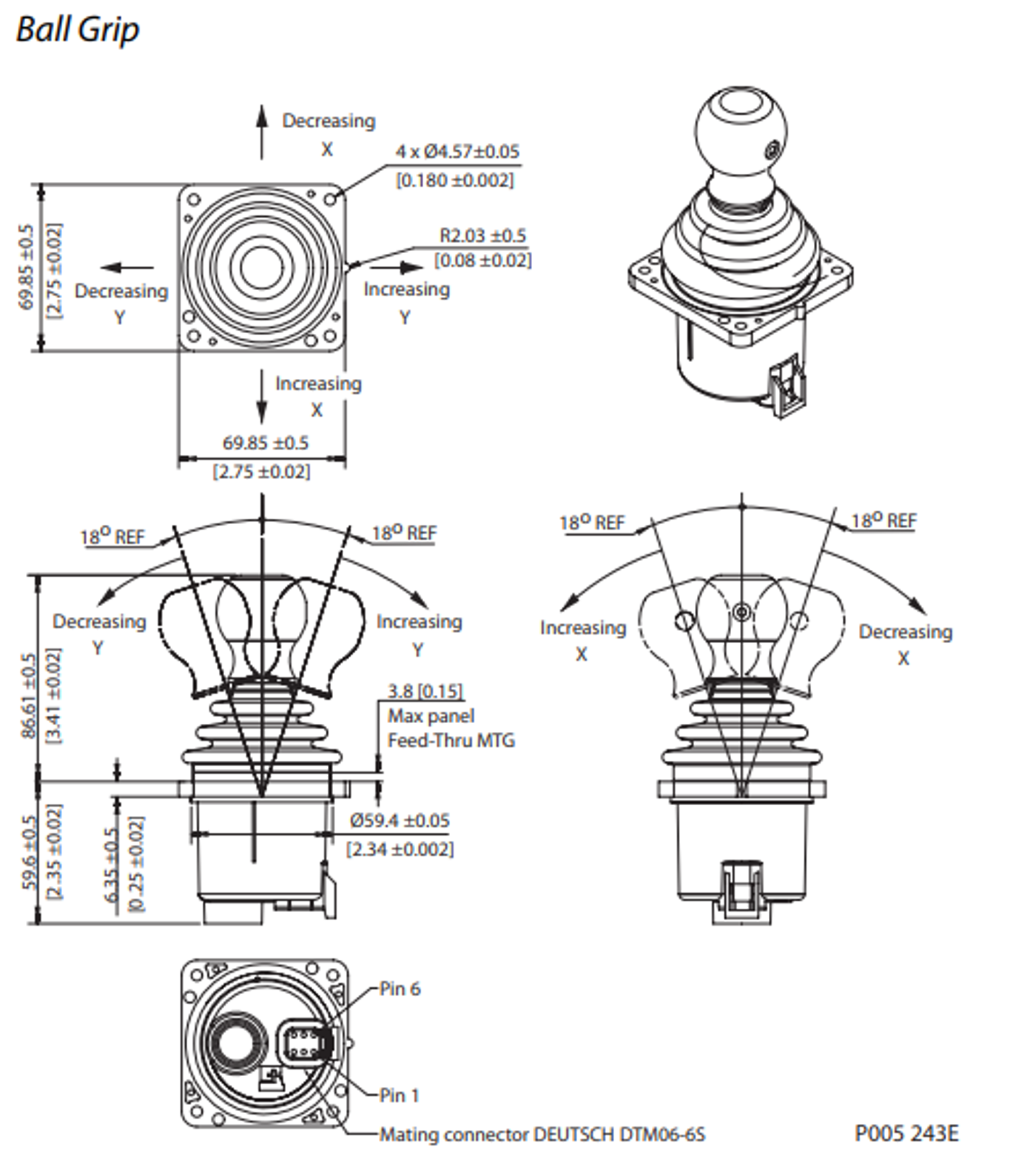
JS1000 light-duty joysticks
High reliability is the product design goal for the JS1000. It is resistant to the extremes of temperature, shock, vibration, and EMI/RFI typically found in mobile machine operating environments.
Features and benefits
- Ergonomic designs
- Endless configuration options
- Contactless Hall effect sensing
- Single or dual axis
- Analog or CAN (J1939 or CANopen) outputs
- Up to IP 66 environmental sealing above and IP 67 below the panel
- Grip options include ball grip, PRO grip, rocker switches, and banana switches
For certificates and 2D/3D drawings, please go to the Products tab. Find your product in the list, click on its image to bring up product details, then see the respective Documents and Visuals tabs.

